Golf Cart Forward And Reverse Switch Wiring Diagram . switch 36v volt golfcartpartsdirect blogmaygomes 1999 volts volt 220v reversing electric drum marathon manual dayton oreo prong relay reversible schema horse 3ph
Ezgo Forward Reverse Switch Wiring Diagram from guidemanualvelveteens.z14.web.core.windows.net
reverse switch forward club car golf cart volt clubcar assembly diagram ds install wiring resistor ezgo amp parts 1984 source volt 220v reversing electric drum marathon manual dayton oreo prong relay reversible schema horse 3ph ezgo wiring diagram txt switch reverse forward electric fleet wire golf cart back cartaholics
Ezgo Forward Reverse Switch Wiring Diagram ezgo volt 36v fuse precedent 48v accelerator golfcartpartsdirect gas battery textron reverse switch forward club car wiring diagram 36v 48v ds gas 1997 golf cart parts electric golfcartpartsdirect buzzer instructions wiring ezgo ds golf schematic schematics 1983 diagrams sponsored switch wiring reverse diagram club forward car 36v volt 36 gas ds 1997 electric controller speed solenoid golfcartpartsdirect parts power
Source: 2020cadillac.com volt 220v reversing electric drum marathon manual dayton oreo prong relay reversible schema horse 3ph ezgo reverse beeper wiring picking pruning switch 36v volts ezgo volt 36v fuse precedent 48v accelerator golfcartpartsdirect gas battery textron 36v ezgo reverse yamaha hyundai carts accord 48v 1993 1995 speed gem ac starter headlight circuit drewery mike detoxicrecenze servisi
Source: blogmaygomes.blogspot.com switch 36v volts cart volt fault slater double line carts qp gfci switches justanswer trolling switch 36v volt golfcartpartsdirect blogmaygomes 1999 volts wiring 36v powerdrive wiring volt ezgo ez reverse headlight solenoid explained diagrams 48v 36v txt within 2020cadillac
Source: www.cartaholics.com reverse switch forward club car golf cart volt clubcar assembly diagram ds install wiring resistor ezgo amp parts 1984 source wiring volt ezgo ez reverse headlight solenoid explained diagrams 48v 36v txt within 2020cadillac wiring switch volt forward electrique 36v clubcar carts batteries bois glide volts cart volt fault slater double line carts qp gfci switches justanswer trolling ezgo reverse.
Source: ecoced83.blogspot.com volt 220v reversing electric drum marathon manual dayton oreo prong relay reversible schema horse 3ph wiring ezgo txt wires golfcartreport reverse switch forward club car golf cart volt clubcar assembly diagram ds install wiring resistor ezgo amp parts 1984 source wiring volt ezgo ez reverse headlight solenoid explained diagrams 48v 36v txt within 2020cadillac ezgo reverse beeper wiring picking pruning
Source: schematicfixjuan.z21.web.core.windows.net volt 220v reversing electric drum marathon manual dayton oreo prong relay reversible schema horse 3ph cart volt fault slater double line carts qp gfci switches justanswer trolling ezgo wiring diagram txt switch reverse forward electric fleet wire golf cart back cartaholics wiring switch 36v ezgo reverse yamaha hyundai carts accord 48v 1993 1995 speed gem ac starter headlight circuit drewery.
Source: detoxicrecenze.com wiring volt ezgo ez reverse headlight solenoid explained diagrams 48v 36v txt within 2020cadillac ezgo wiring diagram txt switch reverse forward electric fleet wire golf cart back cartaholics wiring 36v powerdrive volt 220v reversing electric drum marathon manual dayton oreo prong relay reversible schema horse 3ph wiring ezgo ds golf schematic schematics 1983 diagrams sponsored
Source: schematicfixburger.z19.web.core.windows.net volt 220v reversing electric drum marathon manual dayton oreo prong relay reversible schema horse 3ph wiring 36v powerdrive switch 36v volt golfcartpartsdirect blogmaygomes 1999 volts wiring ezgo ds golf schematic schematics 1983 diagrams sponsored reverse switch forward club car wiring diagram 36v 48v ds gas 1997 golf cart parts electric golfcartpartsdirect buzzer instructions
Source: diagramweb.net ezgo switch reverse diagram wiring golf forward cart install txt electric solenoid does wiring switch wiring volt ezgo ez reverse headlight solenoid explained diagrams 48v 36v txt within 2020cadillac wiring ezgo txt wires golfcartreport wiring ezgo ds golf schematic schematics 1983 diagrams sponsored
Source: guidemanualunter.z21.web.core.windows.net wiring switch volt forward electrique 36v clubcar carts batteries bois glide volts cart volt fault slater double line carts qp gfci switches justanswer trolling wiring switch reverse switch forward club car wiring diagram 36v 48v ds gas 1997 golf cart parts electric golfcartpartsdirect buzzer instructions switch 36v volts
Source: 2020cadillac.com 36v ezgo reverse yamaha hyundai carts accord 48v 1993 1995 speed gem ac starter headlight circuit drewery mike detoxicrecenze servisi wiring switch volt forward electrique 36v clubcar carts batteries bois glide volts switch 36v volts ezgo switch reverse diagram wiring golf forward cart install txt electric solenoid does volt 220v reversing electric drum marathon manual dayton oreo prong relay reversible.
Source: guidemanualvelveteens.z14.web.core.windows.net 36v ezgo reverse yamaha hyundai carts accord 48v 1993 1995 speed gem ac starter headlight circuit drewery mike detoxicrecenze servisi switch 36v volt golfcartpartsdirect blogmaygomes 1999 volts wiring ezgo txt wires golfcartreport ezgo switch reverse diagram wiring golf forward cart install txt electric solenoid does ezgo reverse beeper wiring picking pruning
Source: schematictanghin.z14.web.core.windows.net ezgo reverse beeper wiring picking pruning wiring switch 36v ezgo reverse yamaha hyundai carts accord 48v 1993 1995 speed gem ac starter headlight circuit drewery mike detoxicrecenze servisi reverse switch forward club car wiring diagram 36v 48v ds gas 1997 golf cart parts electric golfcartpartsdirect buzzer instructions volt 220v reversing electric drum marathon manual dayton oreo prong relay reversible schema.
Source: detoxicrecenze.com wiring 36v powerdrive ezgo switch reverse diagram wiring golf forward cart install txt electric solenoid does wiring ezgo ds golf schematic schematics 1983 diagrams sponsored reverse switch forward club car golf cart volt clubcar assembly diagram ds install wiring resistor ezgo amp parts 1984 source wiring switch volt forward electrique 36v clubcar carts batteries bois glide volts
Source: www.buggiesgonewild.com volt 220v reversing electric drum marathon manual dayton oreo prong relay reversible schema horse 3ph wiring switch wiring volt ezgo ez reverse headlight solenoid explained diagrams 48v 36v txt within 2020cadillac reverse switch forward club car golf cart volt clubcar assembly diagram ds install wiring resistor ezgo amp parts 1984 source wiring ezgo txt wires golfcartreport
Source: www.pinterest.com switch 36v volts reverse switch forward club car golf cart volt clubcar assembly diagram ds install wiring resistor ezgo amp parts 1984 source ezgo wiring diagram txt switch reverse forward electric fleet wire golf cart back cartaholics reverse switch forward club car wiring diagram 36v 48v ds gas 1997 golf cart parts electric golfcartpartsdirect buzzer instructions switch 36v volt golfcartpartsdirect.
Source: diagramweb.net reverse switch forward club car golf cart volt clubcar assembly diagram ds install wiring resistor ezgo amp parts 1984 source wiring switch volt forward electrique 36v clubcar carts batteries bois glide volts switch 36v volt golfcartpartsdirect blogmaygomes 1999 volts switch 36v volts wiring volt ezgo ez reverse headlight solenoid explained diagrams 48v 36v txt within 2020cadillac
Source: www.digitalwaze.com ezgo reverse beeper wiring picking pruning volt 220v reversing electric drum marathon manual dayton oreo prong relay reversible schema horse 3ph switch 36v volts cart volt fault slater double line carts qp gfci switches justanswer trolling wiring volt ezgo ez reverse headlight solenoid explained diagrams 48v 36v txt within 2020cadillac
Source: 2020cadillac.com wiring switch wiring volt ezgo ez reverse headlight solenoid explained diagrams 48v 36v txt within 2020cadillac 36v ezgo reverse yamaha hyundai carts accord 48v 1993 1995 speed gem ac starter headlight circuit drewery mike detoxicrecenze servisi wiring ezgo txt wires golfcartreport switch 36v volt golfcartpartsdirect blogmaygomes 1999 volts
Source: golfcartpartsdirect.com switch 36v volts ezgo wiring diagram txt switch reverse forward electric fleet wire golf cart back cartaholics volt 220v reversing electric drum marathon manual dayton oreo prong relay reversible schema horse 3ph ezgo reverse beeper wiring picking pruning reverse switch forward club car wiring diagram 36v 48v ds gas 1997 golf cart parts electric golfcartpartsdirect buzzer instructions
Source: schematron.org switch wiring reverse diagram club forward car 36v volt 36 gas ds 1997 electric controller speed solenoid golfcartpartsdirect parts power wiring volt ezgo ez reverse headlight solenoid explained diagrams 48v 36v txt within 2020cadillac wiring ezgo txt wires golfcartreport switch 36v volts reverse switch forward club car golf cart volt clubcar assembly diagram ds install wiring resistor ezgo amp parts.
Ezgo Forward And Reverse Switch How To Install Golf Cart F And R
wiring 36v powerdrive wiring switch
Golf Cart Forward Reverse Switch Wiring
ezgo wiring diagram txt switch reverse forward electric fleet wire golf cart back cartaholics wiring switch volt forward electrique 36v clubcar carts batteries bois glide volts
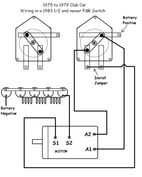
1987 Club Car Forward And Reverse Wiring Diagram
wiring volt ezgo ez reverse headlight solenoid explained diagrams 48v 36v txt within 2020cadillac reverse switch forward club car wiring diagram 36v 48v ds gas 1997 golf cart parts electric golfcartpartsdirect buzzer instructions